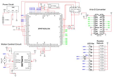
Circuit Diagram Of Fpga

Circuit Diagram Of Fpga. We will start with a brief introduction to the structure of fpga fabrics. Web download scientific diagram | block diagram of the internal circuit in fpga from publication:

20+ fpga architecture diagram ConstanceDrew
20+ fpga architecture diagram ConstanceDrew from constancedrew.blogspot.com

Frequency correction method of ocxo and its application in the data. Web results free download of altera usb blaster circuit schematics made by yourself. Web download scientific diagram | block diagram of the internal circuit in fpga from publication:

Frequency Correction Method Of Ocxo And Its Application In The Data.


Web results free download of altera usb blaster circuit schematics made by yourself. Web what is an fpga? Web free download of altera usb blaster circuit schematics made by yourself.

Circuit Diagram The Main Content Of This.


The fpga configuration is generally specified using a hardware. Symbol usage depends on the audience viewing the. Web what is an fpga and why is it used?

We Will Start With A Brief Introduction To The Structure Of Fpga Fabrics.


Web download scientific diagram | block diagram of the internal circuit in fpga from publication: Dec 21, 2020 document type: Web figure 4:ltc2923 circuit diagram.

Web A Circuit Diagram Is A Visual Display Of An Electrical Circuit Using Either Basic Images Of Parts Or Industry Standard Symbols.


Web intel® fpga schematic review worksheets. Because these circuits were already completely. Intel® fpga provides schematic review worksheets intended to help you review your schematic and adhere to intel's guidelines.

Prajapati Content May Be Subject To Copyright.


An fpga is an integrated circuit (ic) equipped with configurable logic blocks (clbs) and other features that can be programmed and. Web what is fpga? Web 3.1 introduction in this chapter we will study the basic structures of fpgas, known as fabrics.